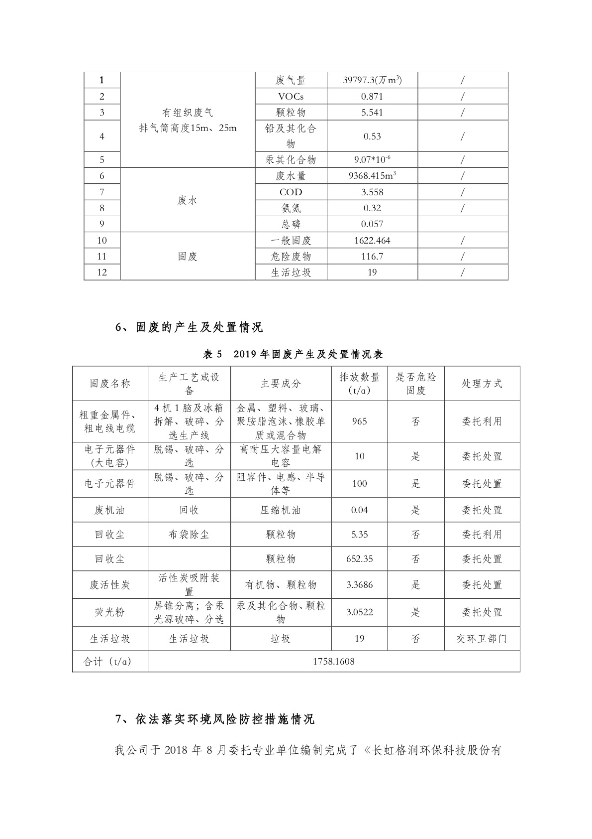
长虹格润环保科技股份有限公司 清洁生产审核信息公布
- 分类:公示公告
- 来源:
- 发布时间:2021-04-24
- 访问量:
【概要描述】
长虹格润环保科技股份有限公司 清洁生产审核信息公布
【概要描述】
- 分类:公示公告
- 来源:
- 发布时间:2021-04-24
- 访问量:





上一篇:长虹润天清洁生产信息公示
上一篇:长虹润天清洁生产信息公示
TOP